120米超限空间如何演绎《竹枝词》千年诗意? - 重庆巫山“三峡竹枝·南陵古道”项目西入口护坡音乐喷泉工程
一、项目背景:当千年诗词遇见现代水景科技
巫山县江之南文化旅游开发有限公司(重庆巫山文旅集团控股)以“文化活化”为核心理念,在西入口120m×2.38m狭长护坡水池中,将刘禹锡《竹枝词》的意境、峡江神女传说与云雨文化融为一体转化为可互动、可体验的动态水景。

巫山南陵西入口护坡施工前鸟瞰图
项目面临三大挑战:
空间限制:超长窄水池(长宽比50:1)需平衡水景表现力与护坡结构稳定性
文化具象化:抽象诗词需通过水型编程、雕塑互动实现场景叙事
安全与生态:日均游客量超5000人次,需零接触防护与低耗运维设计

巫山南陵水景甲供意向效果图
二、深化设计:三维文化叙事与科技赋能
巫山云雨:不锈钢雕塑与水的共生
雕塑系统:
9组高低错落(尺寸梯度:1.8m/2.5m/3.2m/4.0m)的不锈钢云朵雕塑群,表面经哑光处理降低反光干扰

云雨文化表达-云雨装置设计意向
水景深化:
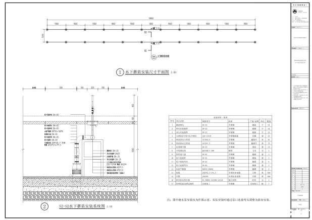
水下蘑菇:云朵下方安装定制蘑菇喷头,水流经环形缝隙形成3mm均匀水膜,如云层托举露珠,通过水流压力调节实现“时聚时散”效果
雾森系统:雕塑周边部署高压雾森喷头(雾滴粒径≤10μm),通过高压柱塞泵,形成环绕式薄雾,模拟云雾流动

巫山南陵水下蘑菇CAD系统图
技术突破:
在4m高度差场景实现云雾均匀覆盖(离散系数≤0.15)
水膜厚度控制≤3mm,避免强风扰动变形(抗风等级6级)

巫山南陵水下蘑菇现场实拍
神女文化:激光感应式互动叙事
雕塑系统:
10米×4.6米“神女瑶琴”雕塑,以神女峰轮廓为基底,融入祥云纹路与瑶琴元素

巫文化(神女文化)-参考巫山神女峰
互动系统:
雕塑顶部嵌入7组TOF激光传感器,识别手势触发MIDI音符信号(响应延迟≤0.1s)
6套30W全彩激光灯以DMX512协议同步投射神女传说剪影(同步精度±10ms)

巫山南陵神女瑶琴CAD系统图
安全冗余:
激光传感器功率≤5mW(Class II安全等级),感应距离0.5-1.2m(防误触)

巫山南陵神女瑶琴现场实拍
工作原理:
人手划过感应区→TOF传感器捕捉位移量→控制模块计算音阶位置→水泵组调节对应水幕高度→激光投射音符图案→户外音箱播放对应音频

巫山南陵激光秀现场实拍
竹枝词文化:机械动力的诗意表达
雕塑系统:
以“杨柳青青江水平”为情景,打造“渔夫与船”雕塑、刘禹锡人像雕塑、抽象帆船轮廓

峡江文化表达-船艺术装置设计意向
水景系统:
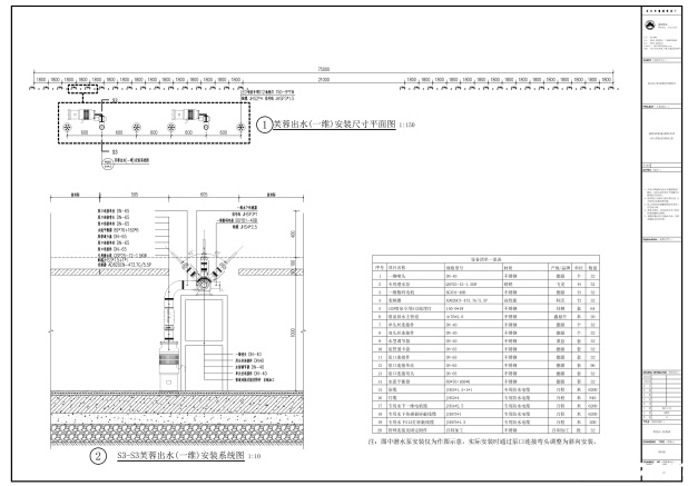
“渔夫与船”雕塑底部设涌泉喷头群(0-50Hz变频调节),模拟江水起伏

巫山南陵涌泉CAD系统图

巫山南陵涌泉现场实拍
“数控花篮”喷头由步进电机(1.8°步距角)+矢量变频器驱动,通过编程实现开合(展开直径1-2.5m)、旋转(0-360°)

巫山南陵数控花篮CAD系统图

巫山南陵数控花篮现场实拍
“帆船”不锈钢骨架构成船体轮廓,内嵌喷管阵列,342只微孔喷嘴通过实时水流控制维持船体形态,270只微孔喷嘴构成动态水幕桅杆(高度可调2-4m)

巫山南陵水幕船CAD系统图

巫山南陵水幕船现场实拍
三、系统集成:狭长空间的智能水景系统
动态水型系统配置
| 水型类别 | 数量 | 驱动设备 | 控制精度 |
| 数控一维 | 32组 | 步进电机+变频器 | 水柱角度±1° |
| 动态孔雀 | 6组 | 万向可调直流喷头 | 开合角15°-85°±0.5° |
| 主喷水柱 | 2组 | 双级高压潜水泵+恒压稳流装置 | 最大喷高18m±0.5m |
| 全区域雾森 | 302只 | 7.5KW高压柱塞泵+超滤净化器 | 雾粒直径≤10μm |

巫山南陵数控一维CAD系统图

巫山南陵数控一维现场实拍

巫山南陵变频孔雀CAD系统图

巫山南陵变频孔雀现场实拍

巫山南陵主喷CAD系统图

巫山南陵主喷现场实拍

巫山南陵雾森CAD系统图

巫山南陵雾森现场实拍
安全防护系统
护坡结构优化:不锈钢格栅暗槽(宽度20cm)截水沟独立排水,避免水体外溢侵蚀景观用水
防误入措施:水池采用架空设计,铺装表面蓄水严格控制在10cm,池壁贴反光警示条,确保游客安全
排水保障:强排泵流量:100m³/h(雨量>50mm/h启动)

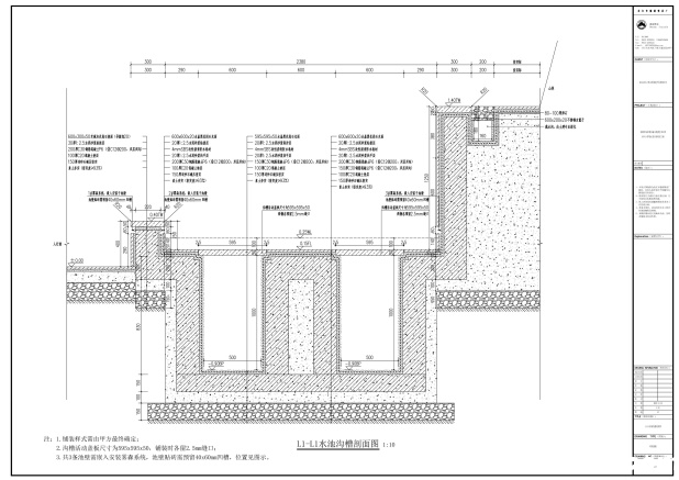
巫山南陵音乐喷泉水池CAD剖面图
电气控制系统
电缆穿线管采用阻燃UPVC暗敷于池底(强/弱电分层≥30cm),规避日照老化
水下灯采用IP68防护等级+24V低压供电
动力线缆采用TN-S制接地系统,信号线屏蔽层单点接地

巫山南陵音乐喷泉潜水泵动力线缆CAD路由图
四、项目亮点:技术+文化的双重突破
狭长空间极限利用
120米线性布局三大主题,雾森系统分隔视觉单元,避免景观冗杂

巫山南陵音乐喷泉CAD平面索引图
动态互动创新
激光感应水幕实现游客参与式叙事,提升文旅体验黏性

巫山南陵音乐喷泉交换机接线图
生态节能设计
循环水系统利用率≥95%,变频器调控水泵功率,能耗降低30%

巫山南陵音乐喷泉CAD图纸目录一
文化符号现代转译
雕塑群抽象化神女峰、竹枝词意象,契合年轻客群审美

巫山南陵音乐喷泉CAD图纸目录二
五、项目成效与行业启示
商业价值验证
游客互动停留时长提升至18分钟,夜间客流量增30%
“手势奏瑶琴”话题抖音播放量260万次,文旅IP传播增效

巫山南陵音乐喷泉控制室CAD平面图
行业应用启示
狭长空间设计法则:
纵向分层:上层:高喷/水幕(视觉焦点)+中层:数控水型(节奏控制)+下层:雾森/涌泉(氛围营造)
宽度补偿:每米宽度配置≥3组变化水型,水型组合变化率>70%

巫山南陵音乐喷泉三维演示动画截图一
文化轻量化表达:抽象雕塑(节省60%实体材料)+水流隐喻替代具象符号
安全与互动平衡:激光感应>触水互动,10cm浅水池成景区新标准

巫山南陵音乐喷泉三维演示动画截图二
六、结语
重庆巫山“三峡竹枝·南陵古道”项目西入口护坡音乐喷泉工程,是水景喷泉设计与文化传承相结合的成功案例。通过科学的设计理念与先进的技术手段,该项目不仅实现了水景艺术的创新表达,也为巫山文旅融合发展注入了新的活力。本案例由德源喷泉提供从文化策划到设备调试精准落地的全流程技术支撑,未来,我们将继续深耕水景喷泉领域,推动更多具有文化内涵与艺术价值的水景项目落地,为城市增添更多魅力与亮点。
👉 点击查看《狭长空间水景喷泉设计指南》+《文化主题喷泉案例集》
👉 预约专家团队,享在地文化水景诊断+深化设计限时优惠!
FAQ模块
Q:喷泉设备是否影响护坡稳定性?
A:架空水池设计完全脱离护坡主体,集水槽独立排水,设备荷载经结构验算达标
Q:水幕激光投影在户外强光下是否清晰?
A:本项目采用30W全彩激光设备,日间可视度≥50米,配合雾幕增强成像


