山林化形·文脉为引的互动艺术 - 乐山井研井乐大道市政绿化带水景喷泉深化设计解析
一、项目背景:激活城市文脉的社区水景纽带
区位价值:
乐山井研井乐大道市政绿化带项目位于城市核心交通节点(幸福大道/井乐大道/G213国道交汇),毗邻云上时光住宅区,辐射周边居住群落
全龄需求洞察:
亲子群体:安全互动型水景激发探索欲(旱喷区趣味跑泉)
青年群体:科技感音乐喷泉塑造社交打卡地(旱喷区表演模式)
老年群体:静态雕塑水景营造禅意休憩点(特色雕塑水景区)
文化载体设计:
以“山林化形,文脉为引”为设计主题贯穿始终,将井研丘陵地形(大地艺术)、密林生态(植物空间)、历史文脉(空间串联)转化为设计语言,通过水景重构山地肌理,以水帘、涌泉隐喻历史文脉的流动。

乐山井研井乐大道市政绿化带鸟瞰效果图
二、深化设计挑战:从概念到落地的技术破局
业主需求:
受建设方(井研县弘正置业有限公司)及设计方(四川乐道景观设计有限公司)委托,需在原始CAD图基础上,完成设备配置、管道预埋、系统集成等专业施工图,并实现:
入口旱喷区:动态音乐交互+多变水型组合
特色雕塑区:涌泉与水帘双重意境表达
技术瓶颈:
旱喷区需在非水池环境下实现精密水型控制,协调音乐节奏与水型同步性
雕塑内部管道需与外部艺术造型无缝集成,并确保水帘均匀性
设备隐蔽性要求极高(无可见管线暴露)

乐山井研井乐大道市政绿化带入口旱喷效果图
三、水景喷泉深化设计方案详解
入口旱喷广场:科技互动的音乐矩阵

乐山井研井乐大道市政绿化带入口旱喷CAD原始设计图
水型组合:
数码跑泉:48只高速电磁阀(启闭时间<0.15秒)独立控制,可编程跑动轨迹(如波浪追逐、时空隧道、矩阵变幻),配合LED旱喷灯形成追逐光效
百变玉柱:双变频水泵协同控制(0-50Hz无极调速),实现水柱高度(1.2-4米)与形态(水柱状/水膜状)的实时渐变,响应音乐频率≤0.3秒

乐山井研井乐大道市政绿化带入口旱喷CAD配置平面图
隐蔽工程:
环形给水管网(不锈钢材质)对称布局,保障水压均衡
溢水管、排水管与穿线管分层预埋,深度≥60cm,避免冻裂及踩踏风险
核心技术:
音乐同步系统:通过AD采样技术将音频信号转化为电信号,驱动继电器控制电磁阀开合,解决水型滞后问题
防滑安全设计:喷头隐蔽安装,灯具嵌入式安装(顶面与铺装齐平),排水坡度≥3%,采用防滑地砖

乐山井研井乐大道市政绿化带入口旱喷CAD安装系统图
特色雕塑水景:文脉传承的静动之境

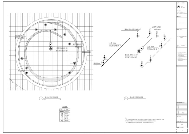
乐山井研井乐大道市政绿化带特色水景CAD原始设计图
双层次水效:
基座涌泉:模拟山间清泉,采用大流量低扬程潜水泵(功率2.2kW),水流温和涌动
顶部水帘:不锈钢细孔喷头预埋于雕塑内部,水流经导流板形成均匀幕帘,象征“文脉流淌”

乐山井研井乐大道市政绿化带特色水景CAD管道系统图
关键工艺:
预埋同步工程:与雕塑厂协同完成DN65不锈钢管道预埋,预留设备检修口(尺寸400×400mm)
水帘控制精度:采用恒压供水系统(压力波动≤0.01MPa),确保水幕厚度均匀性误差<5%
节能运行模式:设置定时器分时运行(日间涌泉模式/夜间水帘+灯光模式)

乐山井研井乐大道市政绿化带雕塑水帘CAD管道系统图
四、项目亮点:技术赋能场景的四大创新
在地文化转译:
百变玉柱形态模拟井研丘陵地貌起伏,数码跑泉律动呼应"千载芳华"历史韵律
全龄安全交互:
旱喷区设置红外感应模块(人体接近自动降压至1米以下),儿童误入零风险
智能控制系统:
PLC中央控制器同步水型、灯光、音乐,支持“日常/节庆/节能”三种模式
生态节水实践:
雨水收集+循环过滤系统,水体复用率≥95%
五、FAQ:市政水景喷泉关键技术问答
Q:音乐喷泉如何解决音水不同步?
A:采用AD采样技术实时转换音频信号,提前0.5秒发送控制指令抵消机械惯性。
Q:雕塑水景如何避免水帘不均匀?
A:三重保障:精密水平校准+稳压供水系统+0.2mm精度出水缝隙加工
Q:音乐喷泉的编程周期需要多久?
A:标准曲目(3分钟)编程约8工时,支持自定义音乐解析(支持多种主流音频格式)
结语:让城市水景成为文化传播载体
本案通过精密机电设计(百变玉柱双泵联控)、隐蔽工程创新(雕塑预埋协同)、智能交互系统(红外感应+音乐响应),将井研的“山林文脉”转化为可感知的当代水艺术(涌泉呼应“半城山水”,水帘暗喻“千年古城”)。
当数码跑泉在井乐大道跃动,生态涌泉于青石莲瓣间流淌,水景已成为连接城市历史与社区活力的动态纽带。


